Downloads
Keywords:
Performance Analysis and Simulation of a 1.5 MW Wind Turbine under Specific Wind Conditions
Authors
Abstract
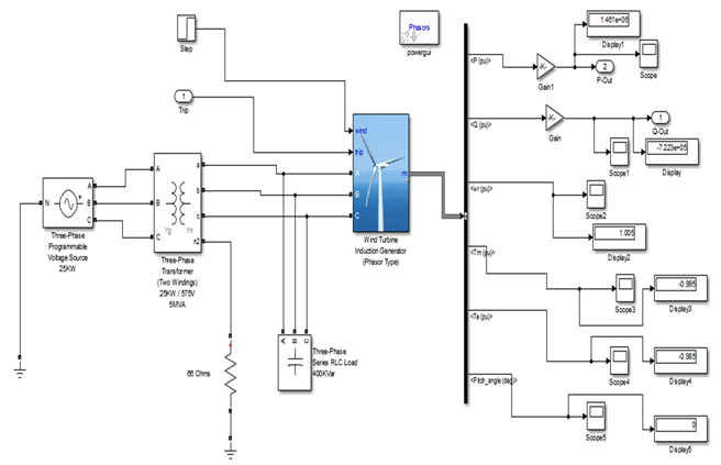
In this research, the performance of a 1.5 MW horizontal-axis wind turbine (HAWT) was studied. The primary objective was to simulate the mechanical to electrical energy conversion process in a small wind turbine system and analyze the turbine output under different wind speeds and blade radii. A mathematical model was developed based on basic aerodynamic principles, including kinetic energy extraction, power coefficient (Cp), and tip speed ratio (λ). The simulation was performed using MATLAB/Simulink, incorporating real wind speed data from selected cities in Nigeria. Key parameters such as output power, mechanical torque, and electrical torque were monitored and analyzed. The results demonstrate the turbine's characteristic power curve and its dynamic response to wind speed changes, achieving a power output close to its rated capacity. The results provide insights into the optimal setup for wind power generation under similar climatic conditions and contribute to feasibility studies for wind farm projects.
Article Details
Published
Issue
Section
License

This work is licensed under a Creative Commons Attribution-NonCommercial-ShareAlike 4.0 International License.